Bộ nghịch lưu DC sang AC
Trong thực tế sử dụng, người dùng thường tiếp cận trực tiếp bộ nghịch lưu DC AC hoàn chỉnh thay vì từng khối mạch rời. Tuy nhiên, hiểu bản chất cấu tạo và nguyên lý giúp lựa chọn đúng công suất, đúng dạng điện áp đầu ra và tránh các lỗi vận hành kéo dài.
Mạch nghịch lưu DC AC là gì?
Mạch nghịch lưu là khối chuyển đổi năng lượng từ nguồn một chiều như pin, ắc quy hoặc hệ DC trung gian sang điện xoay chiều có tần số xác định. Điện áp đầu ra có thể là một pha hoặc ba pha, cố định hoặc điều chỉnh được tùy cấu hình thiết kế.

Nguồn DC đầu vào có thể ổn định hoặc dao động theo trạng thái tải và dung lượng pin. Bộ nghịch lưu đảm nhiệm vai trò tạo dạng sóng AC phù hợp để thiết bị phía sau vận hành bình thường mà không phụ thuộc lưới điện.
Trong danh mục hiện tại của EMIN, các bộ nghịch lưu DC AC được tích hợp sẵn mạch điều khiển, mạch công suất và bảo vệ, điển hình như:
- Bộ nghịch lưu DC AC PROTECT công suất 1000W, model DP-12048Q
- Bộ nghịch lưu DC AC PROTECT công suất 2000W, model DK1220
- Bộ nghịch lưu DC AC PROTECT công suất 3000W, model DP-3000AQ
Những thiết bị này đại diện cho dạng nghịch lưu độc lập dùng trong hệ DC thấp áp phổ biến.
Cấu trúc cơ bản của mạch nghịch lưu
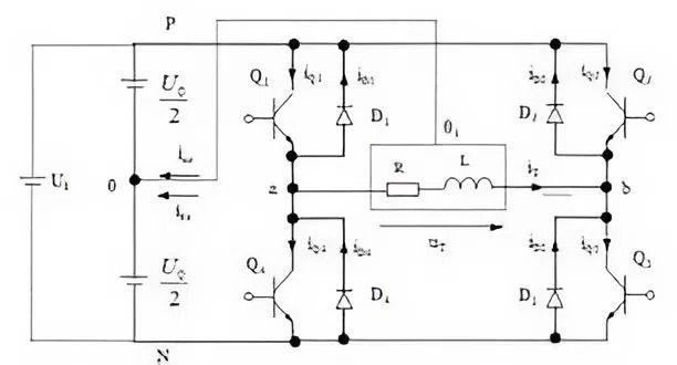
Một bộ nghịch lưu DC AC hoàn chỉnh thường gồm ba khối chính:
- Khối nguồn DC đầu vào
Nhận điện từ pin hoặc ắc quy với mức điện áp xác định như 12V 24V hoặc 48V. Chất lượng nguồn ảnh hưởng trực tiếp đến khả năng cấp tải liên tục.
- Khối chuyển mạch công suất
Sử dụng linh kiện bán dẫn để đảo chiều dòng điện theo chu kỳ. Tốc độ đóng cắt và thứ tự điều khiển quyết định dạng sóng đầu ra.
- Khối điều khiển và lọc
Tạo xung điều khiển, điều chỉnh biên độ và tần số điện áp, đồng thời giảm thành phần nhiễu trước khi cấp ra tải.
Trong các bộ nghịch lưu DC AC EMIN, toàn bộ cấu trúc này được tích hợp sẵn trong một khối kín, giúp giảm sai số lắp đặt và ổn định khi vận hành dài hạn.
Các tham số ảnh hưởng đến hoạt động nghịch lưu
Tần số đầu ra: Được tạo bởi tần số đóng cắt của mạch điều khiển. Với ứng dụng dân dụng và thiết bị thông dụng, tần số thường duy trì ở mức cố định.
Biên độ điện áp: Phụ thuộc điện áp DC đầu vào và phương pháp điều chế bên trong. Khi nguồn pin suy giảm, bộ nghịch lưu chất lượng kém dễ gây sụt áp đầu ra.
Dạng sóng điện áp: Sóng đầu ra có thể là sóng sin chuẩn hoặc dạng biến thể. Dạng sóng ảnh hưởng trực tiếp đến độ ổn định và tuổi thọ của tải.
Những yếu tố này là lý do người dùng cần chọn đúng dòng nghịch lưu theo mục đích thay vì chỉ nhìn công suất danh định.
Nguyên lý làm việc tổng quát của mạch nghịch lưu
Dòng điện một chiều từ nguồn DC được đưa vào khối công suất. Các linh kiện bán dẫn được kích hoạt luân phiên theo chu kỳ xác định, tạo ra dòng điện đổi chiều liên tục trên tải.
Thông qua mạch điều khiển, chu kỳ đóng cắt được sắp xếp để điện áp đầu ra đạt giá trị mong muốn. Mạch lọc phía sau giúp làm mượt dạng sóng trước khi cấp cho thiết bị sử dụng.
Quá trình này diễn ra liên tục trong suốt thời gian bộ nghịch lưu hoạt động, với điều kiện nguồn DC đầu vào đáp ứng đủ dòng và điện áp.
Liên hệ với các bộ nghịch lưu DC sang AC đang phân phối tại EMIN
Các model nghịch lưu DC AC EMIN trong danh mục hiện tại được thiết kế theo nguyên lý trên, nhưng đã tối ưu cho vận hành thực tế
+Tích hợp bảo vệ quá tải, quá áp và ngắn mạch
+Phù hợp hệ pin lưu trữ quy mô nhỏ và trung bình
+Dễ triển khai trong các hệ độc lập không cần can thiệp sâu mạch điều khiển
Đăng ký nhận chiết khấu độc quyền, cập nhật giá sỉ và tin sản phẩm mới nhất ngay tại hộp thư của bạn.
Bằng cách đăng ký, bạn đồng ý với Điều khoản dịch vụ và Chính sách bảo mật của chúng tôi.
Kết nối trực tiếp với đội ngũ chuyên gia của chúng tôi
















