
Lưu lượng kế bánh răng có ổ bi KEM ZHM 07 KL.R.V (50.0 đến 1,000 L/ phút)
Hãng sản xuất: KEM Model: ZHM 07 KL.R.V P/N: ZHM 07-KL-R-V - Liên hệ
Tham khảo dịch vụ Hiệu chuẩn-Kiểm định và Sửa chữa
Gọi để có giá tốt
TP. Hà Nội: (024) 35.381.269
TP. Đà Nẵng: (023) 63.747.711
TP. Bắc Ninh: (0222) 730.39.68
TP. Hải Phòng: (0225) 730.03.89
TP. HCM: (028) 38.119.636
Đồng Nai: 0932.160.940
Ứng dụng: Quy trình chiết rót
Phương tiện quy trình:
Chất bôi trơn, dầu, mỡ
Bôi trơn
Độ nhớt trung bình/cao
Thuộc tính:
Thân thép không gỉ
Vòng bi thép không gỉ
Dung sai lớn hơn
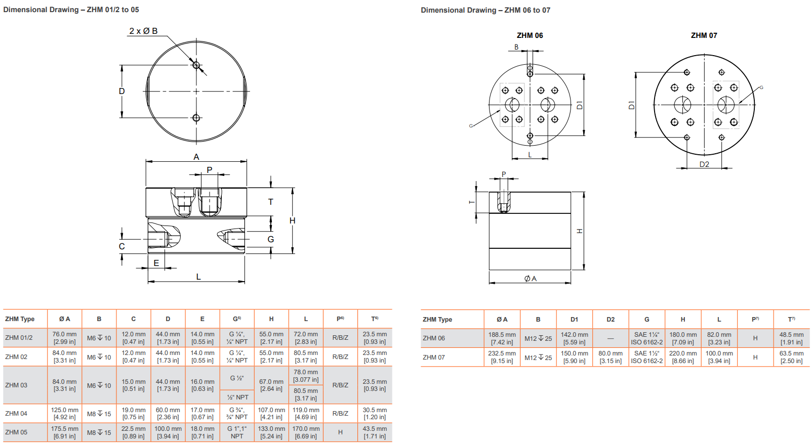
Dữ liệu kỹ thuật – Kích thước
Phạm vi đo (l/phút): 50.0 đến 1,000
Hệ số K (xung/l): 24
Áp suất tối đa (bar/psi): 250 [3,600]
Tần số (Hz): 20 đến 400
Khối lượng (kg): 66.5
Dữ liệu kỹ thuật – Chung
Độ chính xác đo lường: Mặc định: ±0.5 %; Cao cấp: ±0.25%
Độ lặp lại: ±0.05% (trong cùng điều kiện)
Vật liệu
Vỏ: theo DIN 1.4305 [AISI 303]
Bánh răng: theo DIN 1.4122
Ổ trục: Vòng bi thép không gỉ
Ren: Hệ mét
Cổng cảm biến: M14x1.5 & Plug-in (nhân đôi tần số, phát hiện hướng)
Phớt: FKM
Nhiệt độ trung bình: -40 °C đến +180 °C [-40 °F đến +356 °F] (các loại khác theo yêu cầu)
Kích thước: Xem dimensional drawing (Chi tiết)
Xem bảng dữ liệu để chọn cấu hình phù hợp!
- Cam kết chất lượng
- Bảo hành chính hãng
- Giao hàng tận nơi
- Đơn giản hóa giao dịch
Datasheet